Základ čidla nebo reakčního prvku
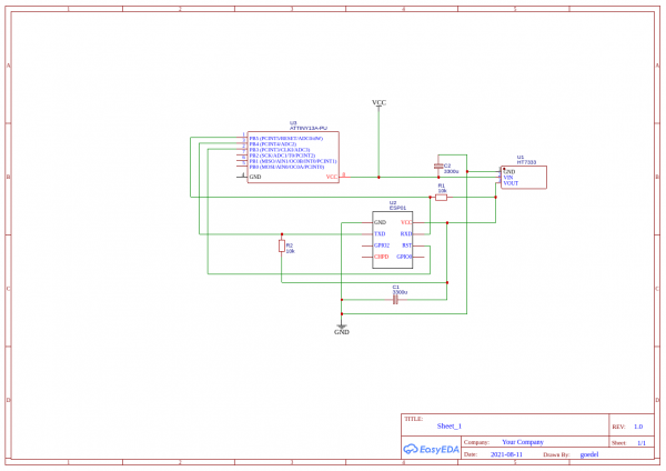
AVR mikrokontroler ATTINY13A je jedním z nejjednoduších a nejlevnějších čipů z rodiny 8-bitových AVR. Má pouhý 1 KB paměti pro program a 5 GPIO (pokud nepočítáme ukradený reset).
I přes tato omezení umožní plnohodnotnou komunikaci s ESP01, jeho uspávání a probouzení v případě potřeby a dokonce i vzdálené programování přes ESP a One Way Bootloader.
Pro logiku připojených čidel zbude kolem 200 bytu paměti pro program a 3 volné piny. To celkově není mnoho, ale na mnoho čidel je to dostatečné - např. několik PIR nebo jazýčkových kontaktů. Je možné přidat i nějakou lokální reakční logiku, např. roztočení motorku při aktivaci PIR apod.
Pokud oželíme vzdálené programování odměnou nám bude dalších 512 bytů paměti pro program. Potom je možné i „ukrást“ reset pin, čímž získáme další GPIO.
Pokud nestačí jen velikost paměti pro program, je možné ATTINY13 nahradit např. ATTINY85 na stejné desce a význam pinů a jejich funkce zůstane zachována.

